Гидравлическая станция GPP622
От: 172 757р. Цена с НДС
Описание


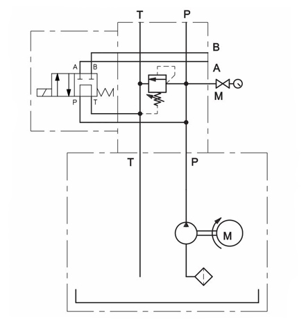
Стандартная комплектация станции выполнена с погружным шестеренным насосом и электродвигателем вертикальной установки. Все основные компоненты гидростанции установлены на крышке бака, что обеспечивает удобство обслуживания станции.
Станция укомплектована: всасывающим фильтром, шестеренным насосом, соединительными полумуфтами двигателя и насоса, колоколом с фланцем для установки электродвигателя и крепления насоса, перепускным предохранительным клапаном, фильтром в сливной линии, манометром с запорным краном, заливной горловиной с воздушным фильтром и визуальным индикатором уровня масла, 3-х фазным 4-х полюсным асинхронным электродвигателем модели B5-V1 согласно UNEL-MEC. Насосные станции работают на минеральном масле вязкостью от 10 до 400 сСт (не входит в комплект поставки).
Станции так же могут быть укомплектованы:
- теплообменниками;
- термостатами фиксированной и регулируемой настройки;
- гидравлическими аккумуляторами;
- визуальными индикаторами с термометром;
Возможна установка электродвигателей 3-х фазных с 2 и 6 полюсами, однофазных и двигателей постоянного тока. По всем вопросам комплектации гидростанций вы можете проконсультироваться в нашем отделе технической поддержки.
Технические характеристики
| Давление до, MPa | 15,0 |
| Подача, л/мин | 31,2 |
| Объем, л | 100 |
| Мощность электродвигателя, кВт | 11,0 |
| Напряжение, В | 380 |
| Частота вращения, об/мин | 1500 |
| Количество фаз | 3 |
| Тип насоса | ALP2 |
| Производитель | Gidrolast |
| Рабочая температура | -20°C…+70°C |
| Тип управления | электрическое |
| Тип гидрораспределителя | с дискретным управлением |
| Тип золотника и схема | ![]() ![]() |
| Позиционирование золотника | пружинный возврат |
| Гидравлическая жидкость | минеральное масло |
| Основной цвет | RAL 9005 |
Размеры


Комплектация


Условия поставки
- Упаковка: деревянная обрешетка;
Конкурентные преимущества




















Отзывы
Отзывов пока нет.